|
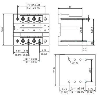
間距:5.00/5.08mm |
|||
|
部件: |
材質: |
電鍍: |
|
|
塑件 |
PA66 UL94V-0 |
|
|
|
焊腳 |
黃銅 |
錫 |
|
|
- |
|
|
|
|
- |
|
|
|
|
|
|||
|
電氣性能: |
|||
|
電壓 |
300V |
||
|
電流 |
20A |
||
|
線徑 |
|
||
|
極數 |
2P,3P,4P-24P |
||
|
絕緣阻抗 |
5000MΩ/1000V |
||
|
耐壓電值 |
AC2000V/1Min |
||
|
|
|||
|
機械性能: |
|||
|
使用溫度 |
-33℃~+120℃ |
||
|
瞬時溫度 |
+250℃,5秒 |
||
|
- |
|
||

中文版
English





































































